Тензодатчик CAS SBA-2т використовується для кранових ваг, бункерних, реконструкції механічних ваг.
Номінальне навантаження - 2т
Матеріал датчика - Конструкційна сталь
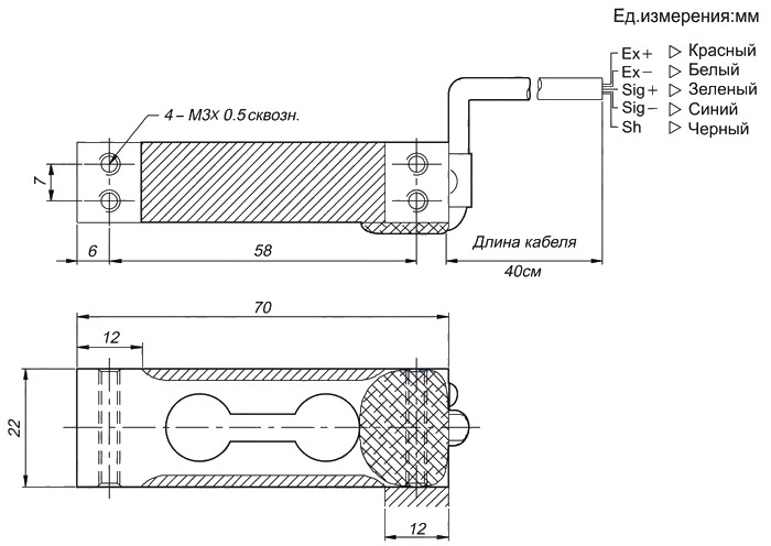
Клас захисту - IP65
Довжина кабелю, м - 5
Робочий к-т передачі (РКП), мВ / В - 3,0 ± 0,3
Діапазон значення нуля, мВ / В - 0 ± 0,03
Клас точності вимірювань - C3 (OIML)
Сумарна помилка,% - 0,02
Повторюваність,% - 0,01
Повзучість (30 хв.),% - 0,017
Дрейф температурний Нулі,% / 10 ° C - 0,014
Дрейф температурний Сигналу,% / 10 ° C - 0,011
Рекомендоване напруга збудження, В - 10
Максимальна напруга збудження, В - 15
Вхідний опір, Ом - 400 ± 2,5
Вихідний опір, Ом - 350 ± 3,5
Опір ізоляції, Ом -> 2000
Безпечна перевантаження,% НПВ -> 150
Компенсується діапазон температур, ° C -> від -10 до +40
Температурний діапазон роботи датчика, ° C -> від -30 до +80
