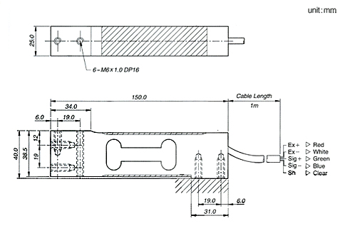
Тензодатчик консольного типа CAS BCA-75L для весовых систем на одном датчике, таких как торговые , товарные, напольные весы и прочие.
Номинальная нагрузка - 75кг
Класс точности - С3
РКП номинальный, мВ/В - 3±0.0075
Нулевой сигнал мВ/В - 0±0.03
Общая ошибка, % - 0.025
Повторяемость, % - 0.01
Ползучесть (30 мин), % - 0.017
Температурный дрейф нуля, %/10°C - 0.014
Температурный дрейф сигнала, %/10°C - 0.011
Напряжение питания номинальное, В - 10
Напряжение питания максимальное, В - 15
Сопротивление входное, Ом - 350 ±3.5
Сопротивление выходное, Ом - 350 ±3.5
Сопротивление изоляции, Мом - >2,000
Температурный диапазон с компенсацией температурного дрейфа, °C - -10 to +40
Эксплуатационный температурный диапазон, °C - -30 to +80
